18957720629
关于我们
产品中心
电动执行器
电动蝶阀
电动球阀
电动闸阀
电动截止阀
电动隔膜阀
电动调节阀
气动执行器
气动蝶阀
气动球阀
气动调节阀
气动截止阀
气动隔膜阀
气动闸阀
气动附件
公司动态
成功案例
资质荣誉
在线留言
联系我们
公司动态
产品中心
成功案例
资质荣誉
网站公告
温州苏控流体设备有限责任公司
产品中心
电动执行器
电动蝶阀
电动球阀
电动闸阀
电动截止阀
电动隔膜阀
电动调节阀
气动执行器
气动蝶阀
气动球阀
气动调节阀
气动截止阀
气动隔膜阀
气动闸阀
气动附件
产品中心
当前位置:
首页
>
产品中心
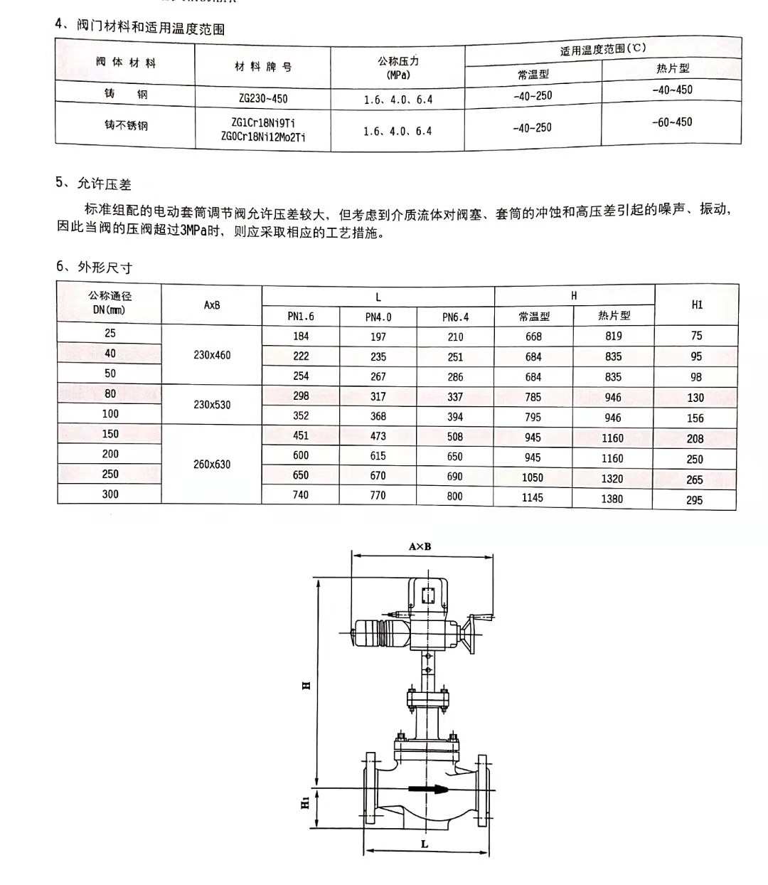
ZAZM/P电动调节阀
发布时间:2019-09-24
上一个:ZDLP电动调节阀
下一个:WD-3100系列电动二通调节阀
返回列表
link
友情链接
温州苏控流体设备有限责任公司
网站首页
|
关于我们
|
产品中心
|
公司动态
|
成功案例
|
资质荣誉
|
在线留言
|
联系我们
|